User Tools

Site Tools


1985d1cwrpm001

1985-D 1c WRPM-001

Description

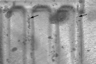
D/D Southeast

Cross-References: CONECA: RPM #1, Coppercoins: 1985D-1MM-001

Die Markers:
Obverse: Stage A: Die gouge on the lapel crease about one-third up from the bottom. Stage B: Stage A marker still present.
Reverse: Stage A: Two parallel die scratches directly east from right cornice to under I and into C in AMERICA. Stage B: Die break on lower column 8.

Submitted by: Jay Oen (Stage A) and John Bordner (Stage B) (Discovered by Harry Ellis)

Images

Stage A:

Stage B:

1985d1cwrpm001.txt · Last modified: 12/30/2022 00:32 UTC by Tanner Scott