User Tools

Site Tools


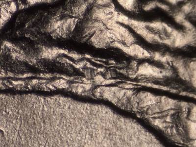
2015pnc25csddr003

2016-P NC 25c SDDR-003

Description

Spread to the north to the rocks on the right side of the road.

Die Markers:
Obverse: None known.
Reverse: Die chip northwest of the designers initials JFM.

Submitted by: Tanner Scott

Images

2015pnc25csddr003.txt · Last modified: 05/01/2022 04:30 UTC by Tanner Scott